Žiadne výsledky
CPUS

BI2RSW-1A

Ovládač žalúzií s binárnymi vstupmi

Základné vlastnosti

  • 2 spínacie relé
  • zaťažiteľnosť výstupu 5 A
  • 2 binárne vstupy
  • Pull-up rezistor integrovaný vo vstupných obvodoch
  • ochrana vstupných obvodov proti prepätiu
  • inštalácia do inštalačnej krabice
  • napájanie zo zbernice CPUS

Charakteristika

Zariadenie je určené na ovládanie žalúzií. Má dvojicu spínacích relé a dvojicu binárnych vstupov. Jeho rozmery a konštrukcia umožňujú nainštalovať ho priamo do inštalačnej krabice za tlačidlový prístroj. Vďaka tomu môžeme binárne vstupy použiť na snímanie tlačidiel a nepotrebujeme na to ďalšie zariadenie. Ďalšia výhoda tohto spôsobu inštalácie je menší počet vodičov vedených z rozvádzača k žalúzii. Tlačidlo, ktorým ovládame žalúzie býva často v blízkosti žalúzie, preto na prepojenie BI2RSW-1A so žalúziou bude stačiť podstatne kratšia kabeláž.

Ovládanie spínacích relé sa môže vykonávať dvoma spôsobmi. Prvý spôsob je cez riadiacu jednotku, kedy sa informácie získané z tlačidiel posielajú riadiacej jednotke, ktorá odošle príkaz na zopnutie relé. Druhý spôsob je priamy, kedy sa relé spínajú stlačením tlačidla. Režim práce sa nastavuje pomocou konfiguračného programu.

Popis zariadenia

Popis zariadenia

Použitie

Zariadenie je určené na ovládanie žalúzií. Ak je to výhodné, systém umožňuje použiť BI2RSW-1A aj na iné aplikácie, napr. spínanie svetiel, čerpadiel alebo menších motorov.

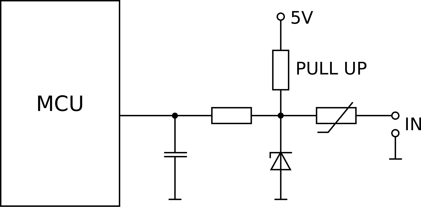
Vstupný obvod

Vstupný obvod zariadenia má pull-up rezistor a ochranu proti prepätiu. Vstupné obvody nie sú galvanicky oddelené.

Zapojenie vstupného obvodu je na Obr. 2

Zapojenie vstupného obvodu

Zapojenie vstupného obvodu

Výstupný obvod

Výstupný obvod tvorí dvojica spínacích relé. Zapojenie výstupného obvodu je na Obr. 3

Zapojenie výstupného obvodu

Zapojenie výstupného obvodu

Konfigurácia

Každý vstup je možné softvérovo nakonfigurovať pomocou konfiguračného programu.

Režim Popis
Krátke a dlhé zopnutie Zariadenie rozlišuje krátke a dlhé zopnutie vstupu. Za dlhé zopnutie sa považuje zopnutie dlhšie ako približne sekundu
Iba krátke zopnutie Zariadenie akceptuje iba krátke zopnutie (< 1s). Informácia o zopnutí sa odosiela okamžite. Dlhé zopnutie ignoruje
Iba dlhé zopnutie Zariadenie akceptuje iba dlhé zopnutie. Krátke zopnutia sú ignorované. Tento režim sa používa ako bezpečnostný - aby náhodným krátkym zopnutím nedošlo k nechcenej akcii
Prepínač V tomto režime pošle zariadenie riadiacej jednotke informáciu vždy pri zmene stavu vstupu. Tento režim sa využíva pri akciách, kedy chceme, aby sa vykonávali iba počas doby zopnutia kontaktu. Napr. ovládanie žalúzií, zvončeka atď.
Vypnuté Ak nastavíme režim vypnuté, zariadenie nebude reagovať na žiadne zopnutie
Ovládanie relé 1 Zopnutím vstupu sa bude priamo ovládať relé A/td>
Ovládanie relé 2 Zopnutím vstupu sa bude priamo ovládať relé B

Konfigurácia digitálnych vstupov

Režim Popis
Invertovanie zakázané Tlačidlo pracuje štandardne
Invertovanie povolené Stav tlačidla bude invertovaný, negovaný, čiže opačný ako je v skutočnosti. Použijeme ho napríklad, ak máme tlačidlo s rozpínacím kontaktom

Režimy invertovania tlačidiel

Režim Popis
Štandardný spínač Zariadenie pracuje v režime štandardného spínača, kedy ho môžeme použiť na spínanie iných zariadení ako sú žalúzie
Ovládač žalúzií Zariadenie pracuje v režime ovládania žalúzií. V tomto režime tiež nastavujeme čas behu a čas rotácie žalúzie
Spínanie zakázané Reléové spínače sú trvalo vypnuté

Konfigurácia spínacieho módu

Režim Popis
1A2B Ku kanálu č. 1 prislúcha relé A, ku kanálu č. 2 relé B
1B2A Ku kanálu č. 1 prislúcha relé B, ku kanálu č. 2 relé A

Priradenie výstupného kanálu

Režim Popis
Posielanie povolené Zariadenie posiela riadiacej jednotke informácie o zmenách polohy automaticky
Posielanie zakázané Zariadenie posiela riadiacej jednotke informácie o zmenách polohy na vyžiadanie

Automatické posielanie stavu

Inštalácia

BI2RSW-1A sa inštaluje priamo do inštalačnej krabice tlačidla, ktoré bude slúžiť na ovládanie žalúzie. V inštalačnej krabici treba mať okrem zbernice privedený vodič s fázovým napätím z rozvádzača a prívodný kábel od pohonu žalúzie.

Kontakty tlačidla pripojíme k binárnym vstupom. Pripojíme zbernicu. Zariadenie je napájané zo zbernice.

Pripojíme kontakty relé k vodičom elektromotora žalúzie, pričom nezáleží na tom, či pripojíme relé A na smer hore a relé B na smer dolu alebo naopak. Toto nastavenie sa urobí neskôr pri konfigurácii systému softvérovo.

Vodič Farba Funkcia
RELAY OUTPUTS RELAY-A Čierna Výstup relé A
RELAY-B Hnedá Výstup relé B
COMMON Červená Prívod fázového napätia pre ovládané zariadenia
CPUS BUS & INPUTS GND-BUTT Hnedá Spoločný pól vstupov (záporný potenciál - interne spojené s GND)
INB-BUTT Zelená Binárny vstup B (kladný potenciál)
INA-BUTT Biela Binárny vstup A (kladný potenciál)
GND-BUS Čierna Mínusový vodič zbernice
DATA-BUS Modrá Dátový vodič zbernice
VCC-BUS Červená Napájací vodič zbernice
Príklad zapojenia BI2RSW-1A

Príklad zapojenia BI2RSW-1A

Špecifikácia

Parametre výstupov

Počet spínaných kanálov 2 x spínací kontakt
Menovité / max. spínané napätie 250 V / 400 V AC
Max. spínaný prúd na kanál 5 A / 250 V AC, 24 V DC
Max. vypínací výkon 1500 VA
Frekvencia spínania s men. záťažou 360 cyklov/hod
Frekvencia spínania bez záťaže 72 000 cyklov/hod
Izolačné napätie 4000 V
Izolačné napätie medzi kontaktmi 1000 V
Čas zopnutia / rozopnutia 10 ms / 5 ms
Mechanická životnosť kontaktov > 3 x 107
Prierez pripájacích vodičov 1 mm2

Parametre vstupov

Počet vstupných kanálov 2 x binárny vstup
Pull-up interný
Maximálne vstupné napätie 5 V

Napájanie

Nominálne napájacie napätie Un 12 V DC
Minimálne napájacie napätie Umin 10 V DC
Maximálne napájacie napätie Umax 14,5 V DC

Celková spotreba pri Un (12 V)

Minimálna (vstupy aj výstupy vypnuté) 6,6 mA
Zopnutý jeden kanál 27,6 mA
Maximálna (vstupy aj výstupy zopnuté) 52 mA

Celková spotreba pri Umin (10 V)

Minimálna (vstupy aj výstupy vypnuté) 7,3 mA
Zopnutý jeden kanál 32,7 mA
Maximálna (vstupy aj výstupy zopnuté) 53,4 mA

Celková spotreba pri Umax (14,5 V)

Minimálna (vstupy aj výstupy vypnuté) 6 mA
Zopnutý jeden kanál 22,8 mA
Maximálna (vstupy aj výstupy zopnuté) 42,2 mA

Rozmery a hmotnosť

Rozmery 50 mm x 40 mm x 21 mm
Hmotnosť 40 g
Prevedenie samostatne v krabičke

Klasifikácia zariadenia

Stupeň krytia prístroja podľa EN 60529 IP44
Trieda ochrany podľa EN 61140 II
Podmienky prostredia podľa EN 60721-3-3 3K3, 3B1, 3C2, 3S1, 3M2
Montáž do inštalačnej krabice
Je v zhode s EN 60730-1, EN 61000-6-1, EN 61000-6-3, EN IEC 63000
Posledná úprava: 27.04.2026
V tomto článku

Nenašli ste, čo ste hľadali?

Ak Vám v článku niečo chýba, alebo ste v ňom našli chybu, dajte nám o tom vedieť. Pomáhate nám tak zlepšovať naše produkty.

Nastavenia Cookies

Cookies sú malé textové súbory, ktoré sa ukladajú vo vašom zariadení pri návšteve webových stránok. Pomáhajú nám zapamätať si informácie o vašej návšteve, ako sú preferované nastavenia, jazyk alebo prispôsobenie obsahu, a tak zlepšiť váš používateľský zážitok. Niektoré cookies sú nevyhnutné pre základnú funkcionalitu stránky, zatiaľ čo iné nám umožňujú analyzovať jej využitie.

Technické

Tieto cookies sú nevyhnutné na správne fungovanie našej webovej stránky a zabezpečujú základné funkcie, ako je navigácia a bezpečnosť stránky. Bez nich by webová stránka nemohla správne fungovať.

Analytické

Pomáhajú nám pochopiť, ako návštevníci používajú našu stránku, čo nám umožňuje zlepšovať jej obsah a funkcie. Údaje sú anonymné a používame ich výhradne na interné analýzy.

Ochrana osobných údajov >>